Duplex mit dem 6cm-GigaTRX 1S


Martin Liebeck, DL2ZBN @ DB0GV, Ingelheimerstr. 1, 64295 Darmstadt
Alexander Kurpiers, DL8AAU @ DB0ZDF, Brahmsweg 14, 64287 Darmstadt

1. Einleitung

Das Konzept des GigaTRX 1 [1][2] ist bedingt durch den Durchblasemischer für Halbduplexbetrieb ausgelegt. Der Sendeoszillator, der frequenzmoduliert wird, dient gleichzeitig als Lokaloszillator für den Empfänger. Dadurch ist dem Empfangssignal grundsätzlich die gesendete Modulation überlagert. Wenn man es schafft, das eigene Sendesignal im Empfangszweig zu unterdrücken, ist auch Duplexbetrieb möglich.

2. Überblick über die 6cm-Baugruppen

Um die Eingriffe, die in die Baugruppen des GigaTRX nötig sind, besser verstehen zu können, soll das Konzept kurz dargestellt werden. In Bild 1 ist ein Blockschaltbild des GigaTRX dargestellt.

Die in der Nähe der Antenne zu montierende Außeneinheit [1] besteht aus einem 720MHz-Oszillator, dessen Ausgangssignal verachtfacht und verstärkt das Sendesignal bildet. Am Antenneneingang sorgt ein Koppler dafür, daß ein Teil der Sendeleistung als Oszillatorleistung im Mischer das Empfangssignal auf die Zwischenfrequenz umsetzt. Damit dies funktioniert, muß natürlich die erste Zwischenfrequenz dem Abstand der Sende- und Empfangsfrequenz entsprechen. Der 720MHz Oszillator wird durch eine PLL in der Frequenz stabilisiert. Der Regelspannung der PLL wird die Modulation überlagert. Die in der ZF gewonnene Abstimmspannung (AFC) regelt den Referenzoszillator der PLL.

Den zweiten Teil des GigaTRX bildet die ZF-Einheit [2]. Das 140MHz ZF-Signal der Außeneinheit wird verstärkt und mit einem 129.3MHz Quarzoszillator auf die letzte ZF bei 10.7MHz umgesetzt. Dort findet dann die eigentliche Selektion mit Keramikfiltern und die FM-Demodulation statt. Dabei wird ein AFC-Signal erzeugt, was zur Frequenzregelung der Außeneinheit dienen kann.

[Hier wäre ein Bild gewesen!]

Bild 1: Blockschaltbild Giga-TRX

3. Kompensation der Modulation

Erste Versuche, das Basisband-Modulationssignal aus dem Modem vom demodulierten Empfangssignal abzuziehen, scheiterten kläglich, da die unvermeidlichen Laufzeiten in den ZF-Filtern auf der NF-Seite nur mit großem Aufwand kompensiert werden können. Durch Verwendung von Echo-Entzerrern, wie sie z.B. in ISDN-Anlagen verwendet werden, wäre dies wohl zu realisieren. Es bleibt jedoch ein gravierender Nachteil dieser Methode: da Sende- und Empfangsmodulation weiterhin bis zum Demodulator überlagert sind, wird die doppelte ZF-Bandbreite benötigt, d.h. auch mehr Signal-zu-Geräuschabstand.

Wir haben deshalb einen anderen Weg gewählt: der 129.3MHz Oszillator wird gegenphasig zum Sendeoszillator moduliert, so daß die Modulation auf der letzten ZF gerade aufgehoben wird. Nach einigen Problemen hat sich diese Lösung bewährt und ermöglicht mit den einfachen Baugruppen des GigaTRX Vollduplex-Betrieb.

4. Umbau der ZF Baugruppe

Der erste Oszillator in der ZF-Baugruppe ist als Quarzoszillator bei 129.3 MHz ausgelegt. Gezogene Quarzoszillatoren können bekanntermaßen bis ca. 28.8kbit/s ziemlich problemlos direkt moduliert werden. Da wir einen Link mit der maximal mit der jetzigen RMNC-Hardware möglichen Datenrate - z.Z. wohl 76.8kbit/s - planen, scheidet eine direkte Modulation des Quarzes aus. Im übrigen wäre ein Hub von ca. 150kHz nicht ganz leicht zu realisieren.

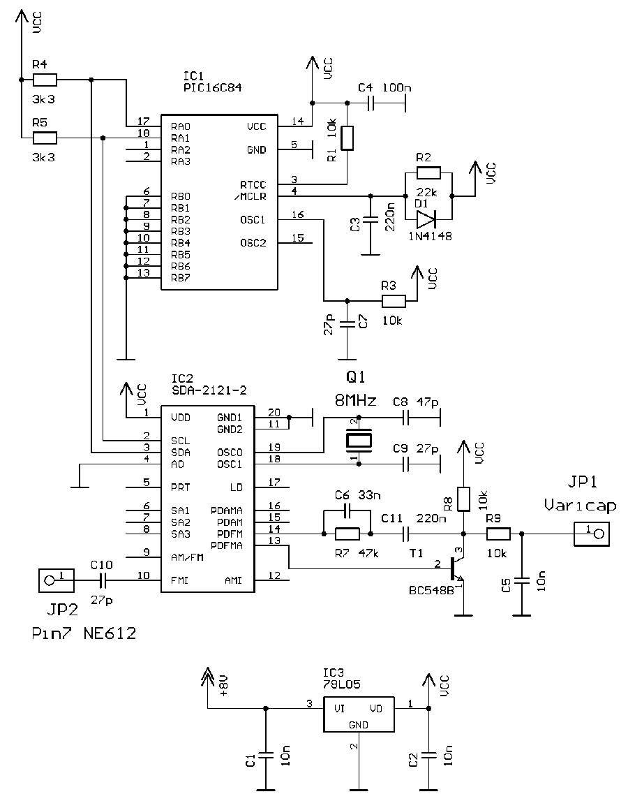
Die von uns bevorzugte Lösung verwendet einen VCO bei 129.3MHz, der durch eine langsame PLL stabilisiert wird. Als PLL-IC wählten wir das SDA2121 von Siemens. Es ist über einen I2C Bus programmierbar. Die Programmierung übernimmt wieder ein PIC16C84. Henning, DF9IC, hat die Steuerroutinen hierfür gleich mit in den PIC eingearbeitet, der auch den UMA1014T in der Außeneinheit steuert. Wer ZF- und HF-Teil räumlich nicht trennt, kann mit nur einem PIC auskommen.

[Hier wäre ein Bild gewesen!]

Bild 2: Schaltbild PIC + SDA

Der Umbau erfordert nur wenige Modifikationen an der ZF (vgl. Bild 1 in [2]):

[Hier wäre ein Bild gewesen!]

Bild 3: freitragende Bauteile in der ZF

(Achtung in obigem Bild sind die Alternativen für 5.6 und 5.8GHz vertauscht!
R4 wird besser zwischen R3 und C5 angeschlossen.)


Für Ober- und Unterband müssen unterschiedliche Aufbauten vorgenommen werden, damit die Modulation phasenrichtig erfolgt. Für Sender bei 5.6 GHz wird die Kathode, für Sender bei 5.8 GHz wird die Anode der Varicap moduliert. Zwei unterschiedliche Varicaps für Modulation und PLL sind erforderlich, damit sich bei z.B. temperaturbedingten Nachregeln der PLL keine Veränderung der Modulationssteilheit ergibt.

5. Umbau der Außeneinheit

Auch hier muß die Modulatorsteilheit über einen größeren Temperaturbereich konstant gehalten werden. Versuche im Gefrierschrank und im Backofen zeigten, daß mit nur einer Kapazitätsdiode höchstens ein Temperaturbereich von ca. +/- 20K um eine gewählte, mittlere Temperatur ausreichend kompensiert werden kann. Der Grund dafür ist, daß die Modulationsspannung der Regelgelspannung der PLL der Außeneinheit überlagert wird. Die Verstimmung des Oszillators durch die Temperaturänderung wird durch die PLL ausgeregelt. Dabei ändert sich aber der Arbeitspunkt der Varicap so stark, daß die Modulationssteilheit verändert wird.

Leider ist es nicht ohne weiteres möglich, eine zweite Varicap für die Modulation am 720-MHz-Oszillator unterzubringen. Einen Ausweg bietet die Modulation über die Basis-Emitter-Kapazität des VCO-Transistors. Hierfür wird die Tx-NF über einen Widerstand am Emitter des BFT92 eingekoppelt. Damit ist die Modulationssteilheit wieder nahezu unabhängig von der Regelspannung der PLL.

Die Änderungen im Einzelnen: (vgl. Bild 5 in [1]):

6. Der Abgleich

Als erstes wird der VCO abgeglichen. Beim langsamen Drehen an L2 rastet die PLL ein. Die Spannung am Ausgang des Schleifenfilters durchläuft dann während ca. einer Umdrehung des Spulenkernes den Bereich von 0 bis 5V. Die Spannung sollte auf ca. 2,5V eingestellt werden. Dann erfolgt der Abgleich der eigentlichen Kompensationsschaltung. Diese kann leider erst an der betriebsfertigen Strecke erfolgen.

Die eigene RMNC Karte wird auf Dauer-NF gejumper und ein Oszi am RX-Ausgang des ZF angeschlossen. Mit dem 10k Poti R7 bzw. R8 im Modulationszweig is der ZF kann man jetzt aus minimales Signal am Empfängerausgang abgeglichen werden. Steht kein Oszi zur Verfügung, kann auch das Verlöschen der DCD-LED als Kriterium dienen.

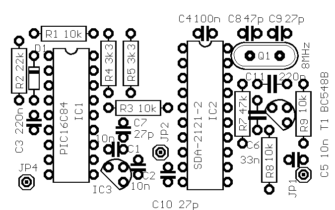
[Hier wäre ein Bild gewesen!]

Bild 4: Layout



[Hier wäre ein Bild gewesen!]

Bild 5: Bestückungsplan

7. Schluß

Durch eine einfache Modifikation am GigaTRX I konnte die Baugruppe vollduplexfähig gemacht werden. Zwei Prototypen laufen seit einigen Wochen erfolgreich im Labortest. In Kürze werden wir mit den Transceivern einen Link zwischen DB0DAR in Darmstadt und DB0AIS in Frankfurt realisieren.

Sobald ein neuer RMNC-Slave mit leistungsfähigerer Hardware verfügbar ist, werden auch noch deutlich höhere Übertragungsraten erzielt werden können. Durch Modifikation der ZF (breitere Filter) sollten mindestens 1MBit/s erreichbar sein.

Literatur

[1] Rech, W.-H., DF9IC: 6cm: die SHF-Außeneinheit (GigaTRX I). ADACOM Magazin 8 (1995), S. 33-54
[2] Rech, W.-H., DF9IC: 6cm: die ZF-Baugruppe. ADACOM Magazin 8 (1995), S. 24-32

Copyright © 1997
This Page was created by DL2ZBN, Sunday, 20. July 1997
Most recent revision Sunday, 20. July 1997