Hochgeschwindigkeits Packet-Radio -
ein Transceiverkonzept für das 70cm Band

Martin Liebeck, DL2ZBN @ DB0GV, Ingelheimerstr. 1, 64295 Darmstadt
Alexander Kurpiers, DL8AAU @ DB0ZDF, Brahmsweg 14, 64287 Darmstadt

Zusammenfassung

Es wird ein Transceiverkonzept für Duplexbetrieb vorgestellt, das Datenübertragung mit Baudraten um 100kBaud im 70cm-Band ermöglicht.

1 Hochgeschwindigkeits Packet-Radio -- wozu?

Schmalband-Netzeinstiege im 25kHz Raster mit 9600 oder 1200 Baud gehören schon seit über 15 Jahren zum Stand der Technik und sind in weiten Teilen Europas flächendeckend etabliert.

Zum Connecten eines DX-Clusters, einer Conversrunde oder einer Mailbox mit einem ASCII-Terminal reichen die derzeit verwendeten Übertragungsgeschwindigkeiten meistens aus. Doch für viele denkbare neue Anwendungen sind auch 9600 Baud Einstiege um den Faktor 10 zu langsam.

Beispielhaft für solche Anwendungen seien hier Mailboxen mit HTML-Oberfläche, digitale Sprachübertragung oder auch Echtzeit Bildübertragung mit ISDN-Qualität genannt. Der Aufbau von Linkstrecken, die diesen Anforderungen genügen, schreitet bereits voran. Was bisher noch gänzlich fehlt, sind leistungsfähige Benutzerzugänge.

2 Anforderungsprofil

Derzeit ist im 70cm-Band nur ein einziger Kanal für Packet Breitbandeinstiege mit 200kHz Bandbreite geplant. Da wohl mit weiteren Kanälen in absehbarer Zeit nicht zu rechnen ist, kann der Transceiver für Einkanalbetrieb ausgelegt werden und damit eine Bedieneroberfläche zur Frequenzeinstellung entfallen. Der Transceiver soll jedoch auf Digi- und auf Userseite einsetzbar sein.

Die S/E - Umschaltzeit soll kleiner 1ms sein, um die Vorteile der hohen Übertragungsgeschwindigkeit nicht wieder durch lange TX-Delay Zeiten zu verschenken.

Wenn mit 9600 Baud Einstiegen vergleichbare Einzugsgebiete erreicht werden sollen, muß wegen der größeren Bandbreite das S/N am Empfänger um ca. 10dB höher liegen. Dies kann durch Erhöhung der Sendeleistung um 10dB oder durch die Verwendung von Richtantennen erreicht werden. (Wegen der höheren Datenrate wirken sich Echos durch Mehrwegeempfang stärker aus und die Verwendung von Richtantennen wird daher ohnehin meistens nötig sein. Wegen des Duplexbetriebes auf nur einem Kanal werden die Digipeater geographisch nahe zusammen liegen. Auch aus diesem Grunde ist eine möglichst geringe Leistung und die Verwendung von Richtantennen beim User wünschenswert). Da hier noch keinerlei Erfahrungen vorliegen, werden die ersten Versuche mit ca. 20W Ausgangsleistung erfolgen. Eine weitere Endstufe mit 1 bis 2W Sendeleistung ist geplant.

Der Transceiver sollte daher folgenden Anforderungen genügen:

Bandbreite200kHz
ModulationsartFSK
Baudrate76k8 bis 115k2
Modulationsbandbreite100Hz - 120kHz
S/E-Umschaltzeit<1ms
Kanäle1, umschaltbar für Digi oder User
HF-Ausgangsleistung20W, (evtl. reduzierbar auf 1-2W)
Betriebsspannung12V

3 Konzept

3.1 Sender

Ein größeres Augenmerk bei der Konzeptfestlegung verdient die senderseitige Aufbereitung eines schnellen FSK-Signals, wenn gleichzeit eine kurze Sende-Empfangs-Umschaltzeit gefordert ist. In praktisch allen Bauvorschlägen für Schmalbandkonzepte wird direkt ein VCXO moduliert und dessen Frequenz dann vervielfacht, hochgemischt oder als Referenz für eine sehr schnelle PLL verwendet, welche das Modulationssignal bertragen kann. Quarze verfügen wegen ihrer hohen Kreisgüte über eine hervorragende Kurzzeitstabilität, sind jedoch wegen ihrer Nebenresonanzen und der sich daraus ergebenden Phasendrehungen nur bis maximal ca. 50 kBaud (Grundton) modulierbar. Für die angestrebten Baudraten kommt eine direkte Quarzmodulation daher nicht in Betracht.

Eine andere Möglichkeit, ein FSK Signal zu erzeugen, ist die Modulation eines VCO, der mit einer langsamen PLL stabilisiert wird. Hierbei können aber nur Frequenzen aufmoduliert werden, die über der Frequenz des Schleifenfilters der PLL liegen. Tiefere Frequenzen werden von der PLL einfach ausgeregelt. Andererseits muß die Frequenz des Schleifenfilters für kleine S/E - Umschaltzeiten möglichst hoch gewählt werden. Eine S/E - Umschaltzeit kleiner 1ms und gleichzeitig eine Modulierbarkeit bis unter 100Hz ist mit einer PLL nicht erreichbar. Als Lösung bieten sich zwei getrennte PLLs für RX und TX an. Da diese PLLs zwischen Sendung und Empfang nicht umgeschaltet werden müssen, kann die TX-PLL langsam und damit auch bei Frequenzen unter 100Hz modulierbar ausgelegt werden.

Langsame PLLs können nur temperatur- und alterungsbedingte Langzeitdriften ausgleichen. Dies erfordert Oszillatoren mit einer hohen Kurzzeitstabilität, denn sämtliche Rückwirkungen auf die Oszillatoren, die sich aus der S/E - Umschaltung ergeben, dürfen keine Frequenzänderungen hervorrufen. Daher müssen zwischen Oszillator und erster geschalteter Stufe mehrere Pufferstufen eingefügt und die Versorgungsspannungen der einzelnen Stufen möglichst gut entkoppelt werden. Dies ist mit vertretbarem Aufwand nur durch Aufteilung in 3 Baugruppen, RX, TX und PA, zu erreichen. Geschaltet wird hierbei nur die Endstufe.

3.2 Empfänger

Die Technologie für einen passenden Empfänger ist hinreichend bekannt und soll hier nicht weiter vertieft werden.

Wir haben versucht, durch Verwendung von modernen Bauelementen eine hohe Nachbausicherheit bei guten technischen Daten zu erreichen. Wichtiges Ziel war hierbei eine sehr gute Groásignalfestigkeit und Selektivität, um auch an einer guten Außenantenne keine Empfangsprobleme zu bekommen. Insbesondere C-Netz Autotelefon und Intermodulationen durch starke Digipeater- oder Relaisausgaben können hier schwer zu schaffen machen.

Da möglichst auf teure Spezialquarze verzichtet werden sollte, wird für den ersten Empfangsoszillator eine PLL verwendet. Leider ist immer noch ein speziell zu schleifender Quarz nötig, um von der ersten auf die zweite ZF zu mischen. Nach einigen Problemen bei der Beschaffung geeigneter Filter, die hier die Verwendung eines Standardquarzes ermöglicht hätten, wurde dies als das kleinere šbel akzeptiert.

3.3 Endstufe

Da im Steuersender nichts geschaltet werden soll, darf dessen Ausgangsleistung nicht zu hoch gewählt werden. Ansonsten würden räumlich nahe am Digipeater betriebene Stationen von diesem auch bei ausgeschalteter Endstufe noch gehört werden. Wir haben 10dBm als Ausgangsleistung für den Steuersenders gewählt. Die Endstufe muß also ca. 33dB Verstärkung liefern. Dies kann man entweder mit drei Transistorstufen oder mit einer Transistorstufe und einem Hybridmodul erreichen. Um eine höhere Nachbausicherheit zu gewährleisten, haben wir uns für die letztere Lösung entschieden.

4 Realisation

Abbildung \ref{gesamt} zeigt die Zerlegung in die 3 Komponenten: Steuersender, Empfänger und Endstufe. Sender und Empfänger sind in Weißblechgehäusen von 74 * 111 * 35 mm untergebracht. Die Endstufe ist in ein Alu-Druckgußgehäuse mit angeschraubtem Kühlkörper eingebaut.

[Hier wäre ein Bild gewesen!]

Abbildung 1: Blockschaltbild Gesamtkonzept

4.1 Sender

Der Sender verwendet in Anlehnung an [1] einen VCO auf der Endfrequenz mit einem BF979 und einem 20mm langen Stück Semirigid als Schwingkreis-Induktivität. Der VCO wird mit dem PLL-IC SDA3302-5 von Siemens stabilisiert. Ein schon recht betagter Baustein, der für Fernsehtuner entwickelt wurde und hauptsächlich durch seinen niedrigen Preis und seine gute Beschaffbarkeit besticht. Die Schleifenfrequenz der PLL liegt bei 100Hz. Der SDA3302 besitzt einen festen Vorteiler für die Referenzfrequenz. Mit dem verwendeten 6.4MHz Quarz ergibt sich ein Kanalraster von 100kHz. Für andere Anwendungen kann die PLL beliebig in diesem Raster programmiert werden.

[Hier wäre ein Bild gewesen!]

Abbildung 2: Blockschaltbild Steuersender

Die Programmierung der PLL erfolgt über einen I2C-Bus mit einem PIC12C508 von Arizona Mikrochip. Dieser Risc-Prozessor im 8pol-DIL Gehäuse besitzt eine interne Reset-Logik und auch einen internen RC-Oszillator zur Takterzeugung. Er läuft mit 4MHz und langweilt sich bestimmt fürchterlich bei dieser Aufgabe.

An den VCO angekoppelt ist eine Pufferstufe mit einem BF960, einem Dual-Gate Mosfet. Dieser wurde gewählt wegen der sehr geringen Rückwirkungen von Ausgang auf den Eingang (S12 von < -20 dB) und sorgt damit für eine gute Entkopplung zum Oszillator. Am Ausgang des BF960 steht eine Leistung von 3dBm zur Verfügung.

Nun könnte man schlußfolgern, eine weitere Transistorstufe würde für die Verstärkung auf 10dBm - die geforderte Leistung des Steuersenders - ausreichen. Würde sie auch, wenn nicht noch die Forderung nach der Frequenzstabilität des Oszillators bei Laständerung am Ausgang des Steuersenders wäre. Aus diesem Grunde folgen noch zwei weitere Pufferstufen mit je einem BFR90. Jede Stufe hat eine Verstärkung von 11dB. Um eine Ausgangsleistung von 10dBm und eine weitere Entkopplung zu erreichen sind den Verstärkerstufen noch zwei 7dB Dämpfungsglieder vorgeschaltet. Diese sorgen ganz nebenbei auch noch für eine gute Anpassung der Verstärkerstufen.

Um eine gute Entkopplung der Spannungsversorgung für die einzelnen Stufen zu erreichen, finden 3 Spannungsregler Verwendung. Ein 78L05 für die PLL und den Prozessor und je ein 78L09 für Oszillator und ersten Puffer und für die beiden BFR90.

Bei abgeschalteter PLL ist zwischen offenem Ausgang des Steuersenders und dessen Abschluß mit 50Ohm eine Frequenzänderung von deutlich unter 1kHz meßbar.

4.2 Empfänger

Als Eingangsstufe wird ein moderner Bipolartransistor AT41586 von HP eingesetzt. Die erzielbare Rauschzahl ist ausreichend und die Eingangsstufe wird so großsignalfest. Zur Selektion und Unterdrückung der Spiegelfrequenz folgt ein 3-poliges Helixfilter.

Aus Gründen der šbersteuerungsfestigkeit wollten wir für Mischer und Oszillator ein Fernsehtuner-IC einsetzen. Der in [1] verwendete TDA5030 wird inzwischen nicht mehr von Philips gefertigt. Erste Wahl wäre der TDA5630 gewesen. Leider ist dieses IC z.Z. nicht beschaffbar, so daß ein TDA5331T verwendet wird. Dieser hat einen Mischereingang mit einer Impedanz nahe 50Ohm und einen niederohmigen SAW-Filter Treiber. Beides paßt gut ins Empfängerkonzept.

[Hier wäre ein Bild gewesen!]

Abbildung 1: Blockschaltbild Empfänger

Der symmetrisch aufgebaute Oszillator des TDA5331 wird mit einer PLL stabilisiert. Verwendet wird wie im Sender auch ein SDA3302-5 von Siemens. Dieses Konzept ist flexibler und auch preisgünstiger als die übliche Lösung mit Quarz und Verdreifacher. Im ersten Prototyp war nur im Sender ein Prozessor vorgesehen, der die Steuerung der PLL-ICs in Sender und Empfänger übernahm. Da der von uns mittlerweile als Prozessor eingesetzte PIC12C508 billiger ist als die 4 für den externen I2C-Bus nötigen Durchführungs-Kondensatoren, bekommt auch der Empfänger seinen eigenen PIC. Nach der Programmierung des PLL-ICs geht der PIC in den Sleep-Mode und der Prozessor-Clock wird abgeschaltet. Störungen des Empfängers sind daher nicht zu befürchten.

Ein größeres Problem warf die Beschaffung eines geeigneten Filters für die erste ZF mit ca. 200kHz Bandbreite auf. Wir haben nach längerer Suche ein SAW-Filter mit 41.7MHz Mittenfrequenz und einer Bandbreite von 300kHz gefunden, das auch in Stückzahlen kleiner 1500 und mit Lieferzeiten unter 42 Wochen zu bekommen ist. Ein Meßprotokoll befindet sich im Anhang. Leider ist dieses Filter relativ teuer. Wir halten seinen Einsatz aber für notwendig, da die User-Empfangsfrequenz nur knapp 300kHz oberhalb der Relaisausgaben liegt.

Als Frequenz für die zweite ZF kommt wegen der benötigten großen Bandbreite 455kHz nicht in Betracht. Bei 10.7MHz stehen Keramikfilter für Rundfunkempfänger zur Verfügung, die eine passende Bandbreite haben und deren Gruppenlaufzeit für Datenanwendung ausreichend ist. Als IC für die zweite ZF wird das SA626 von Philips verwendet. Es ist für den direkten Anschluß von Keramikfiltern mit 330Ohm Impedanz vorgesehen und enthält sowohl Oszillator, Mischer als auch Begrenzerverstärker, FM-Demodulator und einen extrem schnellen RSSI (Received signal strength indicator - ein Ausgang für eine logarithmische Feldstärkeanzeige) -Ausgang. Dieser wird zusammen mit einem Komparator mit einstellbarer Schwelle auch als DCD verwendet.

Wie auch im Sender werden die einzelnen Baugruppen mit eigenen Spannungsreglern versorgt, um Verkopplungen zu vermeiden.

Durch die Verwendung von modernsten Bauelementen ist der Empfänger fast abgleichfrei. Leider mußten deshalb einige Bauelemente in SMD-Technologie eingesetzt werden, was allerdings die HF-Eigenschaften verbessert und somit zur Nachbausicherheit beiträgt.

4.3 Endstufe

Die Endstufe ist in Anlehnung an [1] um ein 20W Hybrid-Modul herum aufgebaut. Diese Module werden von verschiedenen Herstellern angeboten und sind oft auch preisgünstig auf Flohmärkten erhältlich. Die meisten Hybridmodule benötigen eine Steuerleistung von 20dBm. Daher ist dem Modul noch eine Verstärkerstufe mit 10dB Verstärkung vorgeschaltet. Weiterhin übernimmt der Endstufenbaustein die Antennenumschaltung für Sender und Empfänger und sorgt für die nötige Oberwellenunterdrückung.

5 Das Gesamtsystem

Für den Betrieb am Digipeater wird zusätzlich zu den hier beschriebenen Baugruppen noch ein Duplexer benötigt. Dieser ist oft mit guter Qualität auf dem Surplusmarkt erhältlich und wird auch neu von professionellen Anbietern vertrieben. Hier liegen die Preise allerdings in der Größenordnung des gesamten restlichen Systems.

Alle Baugruppen sollten möglichst mit doppelt geschirmtem Koaxkabel mit einander verbunden werden, um šbersprechen zu vermeiden. RG223 oder RG214 bieten sich hier an.

6 Kritik und Ausblick

Abschließend bedanken wir uns die vielen Anregungen und Tips bei Wolf-Henning Rech, DF9IC.

Literatur

[1] Bloch, M., DF2VO; Sessler, P., DF3VI; Rech, W.-H., DF9IC: 70-cm-FM-Baugruppen für Duplex-Digis und Phonie-Relais, ADACOM Magazin 5, pp. 11-30, 1993.


Meßprotokoll SAW-Filter


[Hier wäre ein Bild gewesen!]

Abbildung 4: Meßprotokoll TFS41 der Firma Telefilter, Teltow



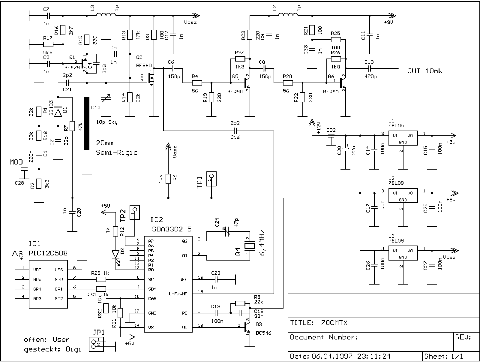
Schaltbild Sender


[Hier wäre ein Bild gewesen!]

Abbildung 5: Schaltbild Sender



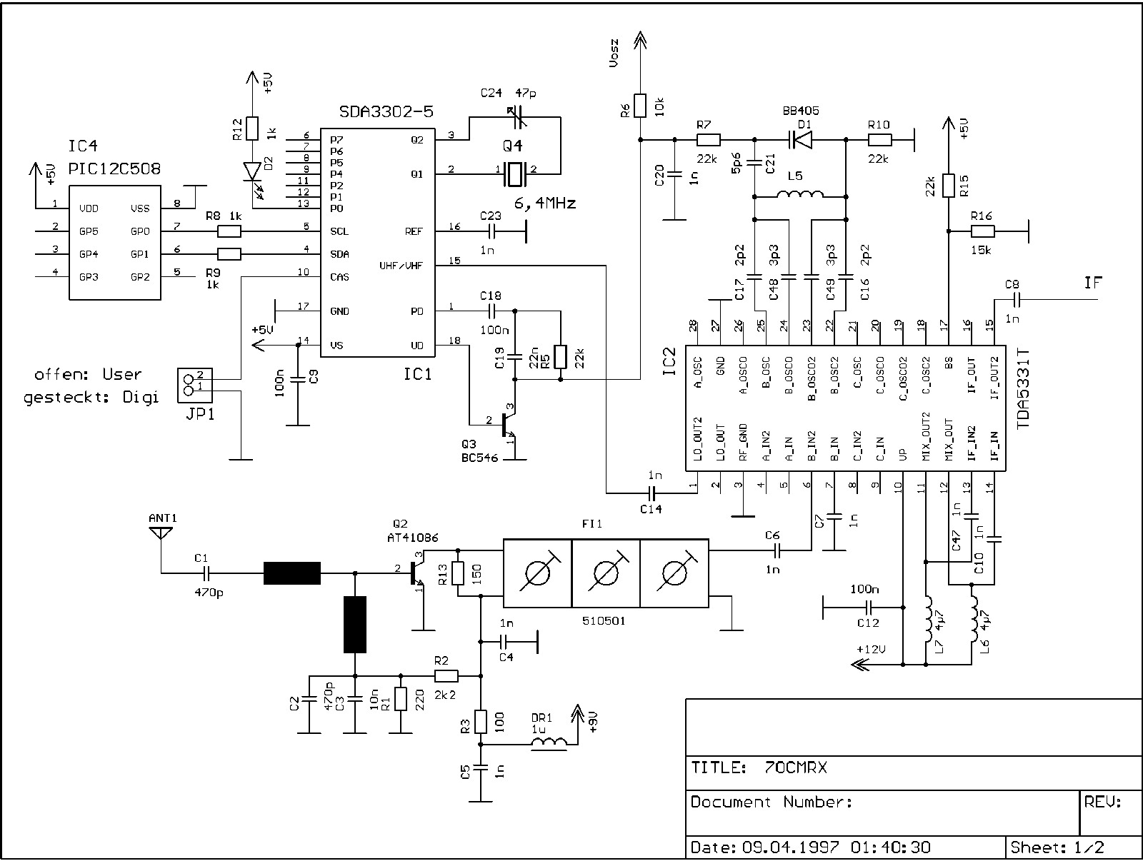
Schaltbild Empfänger 1/2


[Hier wäre ein Bild gewesen!]

Abbildung 6: Schaltbild Empfänger 1/2



Schaltbild Empfänger 2/2


[Hier wäre ein Bild gewesen!]

Abbildung 7: Schaltbild Empfänger 2/2


Copyright © 1997
This Page was created by DL2ZBN, Friday, 09. May 1997
Most recent revision Friday, 09. May 1997