9600 Baud FSK mit dem UFS772C



Wenn hier von oben, unten, rechts und links die Rede ist gilt folgende Vereinbarung: Das UFS liegt so, daß das Bedienteil nach links, die Spannungsversorgungsbuchse nach rechts und die Antennenbuchse nach unten zeigt.

9k6 RX

Die NF für 9k6 wird direkt am Diskriminator abgegriffen (Pin 8 von D702). Leider stehen hier nur ca. 30mVss zur verfügung. Das DF9IC-9k6-Modem erwartet ein Eingangssignal im Bereich von 200 bis 500mVss. Daher ist es günstig einen kleinen Verstärker zwischenzuschalten. Ich schlage folgende Schaltung vor:

[Hier wäre ein Bild gewesen!]

NF-Verstärker mit BF245

Für den Einbau in das UFS bietet sich bei zugeklapptem Empfängerrahmen der Platz links oben von der ZF Platine in unmittelbarer Nähe zu D702 an. Am obersten der Durchführungskondensatoren können 9V abgegriffen werden (Punkt X709).

9k6 TX

Der Anschluß für die Sendeseite erfolgt im 8MHz VXO an R209. Dieser ist direkt unterhalb des Potis R210 stehen eingebaut. Die von der Bestückungsseite her zugängliche Seite des Widerstandes ist die relevante. Hier wird ein 2.7k Widerstand und an dessen anderes Ende ein 1µF Kondensator angelötet. Das folgende Bild verdeutlicht dies.

[Hier wäre ein Bild gewesen!]

Anschluß der Sende-Nf 9k6

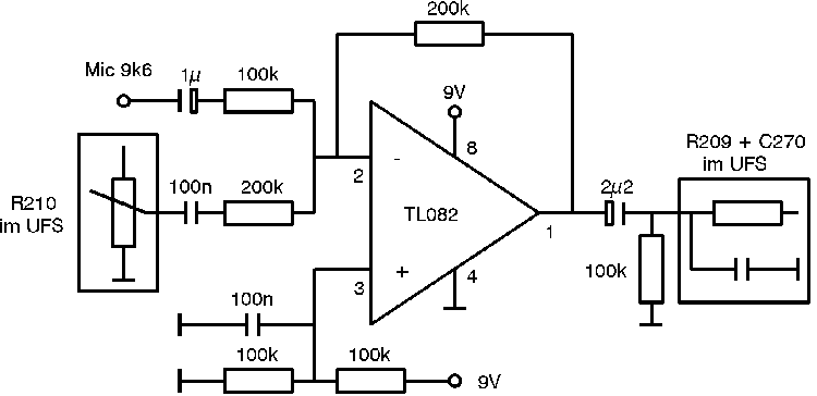
Leider beeinflussen sich bei obiger Schaltung die 1k2 und die 9k6 NF recht stark. Besser geeignet, aber natürlich auch aufwendiger ist die unten angegebene Schaltung mit einem Operationsverstärker.

[Hier wäre ein Bild gewesen!]

Anschluß der Sende-Nf 9k6 mit OpAmp

1k2

Der Anschluß für 1k2 erfolgt über die Mikrofonbuchse des UFS. Dies ist die Buchse auf der Vorderseite des Bedienteils (X401). Da im Mikrofon des UFS ein Vorverstärker eingebaut ist, reicht der Mic-Pegel eines Standard TNC leider nicht aus um das UFS durchzumodulieren. Auch hier ist ein kleiner Vorverstärker erforderlich, den ich in den Mikrofonstecker eingebaut habe.

Die folgende Abbildung zeigt die von mir verwendete Schaltung. Als Transistor kann praktisch jeder für NF-Anwendungen brauchbare NPN-Typ (TUN) Verwendung finden.

[Hier wäre ein Bild gewesen!]

NF-Verstärker für 1k2

Da ich 9k6 und 1k2 parallel betreibe (mit einem XR2211 Squelch als Umschalter) habe ich eine zusätzliche NF-Stummschaltung mit eingebaut. Der Emitter des TUN wird nur beim senden mit 1k2 über die 1k2 PTT-Leitung nach Masse gezogen. Ich verwende für die 1k2 PTT ein DIL-Relais im TNC. Die Schaltung funktioniert auch zusammen mit der PTT-Schaltung im TNC2S (VMOS-FET). Ob sie auch mit einem Open-Kollektor Transistor im TNC2C funktioniert habe ich nicht getestet! Die Diode entkoppelt lediglich gegenüber der 9k6er PTT.

Ist die NF-Stummschaltung nicht erforderlich, kann der Emitter direkt mit Masse und 1k2er und 9k6er PTT parallel an Pin 6 von X401 verbunden werden. Kondensator und Diode können dann natürlich entfallen.

Buchsenbelegung


[Hier wäre ein Bild gewesen!]

Buchsenbelegung



Copyright © 1997
This Page was created by DL2ZBN, Sunday, 20. July 1997
Most recent revision Sunday, 20. July 1997